Тягово-сцепные и буксирные устройства

Тягово-сцепные и буксирные устройства

Сообщение Mikhail_Auto » 23 янв 2018, 08:14

Согласно Правил ЕЭК ООН №55:
Под "механическими сцепными устройствами и их элементами" подразумеваются все детали на раме, несущих элементах кузова и ходовой
части автотранспортного средства и прицепа, при помощи которых автотранспортное средство и прицеп соединяются для использования их в качестве состава транспортных средств или транспортного средства с прицепом. К ним относятся стационарные или съемные части, необходимые для крепления или эксплуатации механического сцепного устройства или его
элемента.
Под "прицепом с центрально расположенной осью" подразумевается прицеп, имеющий сцепную тягу, которая не может перемещаться в вертикальной плоскости независимо от прицепа, и ось или оси, расположенные вблизи от
центра тяжести прицепа при его равномерной загрузке. Вертикальная нагрузка
тягача на сцепное устройство не должна превышать 10% от максимальной
массы прицепа или 1000 кг в зависимости от того, какое из этих значений
меньше.
Под "эффективным механическим запиранием" подразумевается, что
конструкция и форма устройства и его элементов исключают возможность их
открытия или расцепления под воздействием любых сил или элементов сил,
которому они подвергаются в процессе обычной эксплуатации или испытания.


Механические сцепные устройства подразделяются на классы:
Класс A: Шаровые наконечники сцепных устройств и тяговые кронштейны с шарообразным приспособлением диаметром 50 мм и кронштейнами на тягаче для
соединения с прицепом при помощи сцепной головки
Класс A50-1 - 50-5: Стандартные шаровые наконечники сцепных устройств диаметром 50 мм с болтовыми креплениями фланцевого типа.
Класс A50-X: Нестандартные шаровые наконечники диаметром 50 мм и кронштейны.
Класс B: Сцепные головки, устанавливаемые в проушине прицепа для соединения с шаровым наконечником диаметром 50 мм тягача.
Сцепная головка.jpg
Сцепная головка класса В

Класс B50-X: Нестандартные сцепные головки диаметром 50 мм.
Класс C: Соединительные фланцы со шкворнем диаметром 50 мм, а также с захватом и автоматически закрывающимся стопорным штифтом на тягаче для соединения с
прицепом при помощи проушины сцепной тяги.
соединительный фланец.jpg
Соединительный фланец (класс С)
соединительный фланец.jpg (6.79 Кб) Просмотров: 24540

Класс C50-1 - 50-6: Стандартные соединительные фланцы сцепных устройств со шкворнем диаметром 50 мм.
Класс C50-X: Нестандартные соединительные фланцы сцепных устройств со шкворнем диаметром 50 мм.
Класс D: Проушины сцепных тяг, имеющие параллельное отверстие, пригодное для шкворня диаметром 50 мм, и предусмотренные для сцепной тяги прицепов с целью
соединения с автоматическими соединительными фланцами.
Проушина сцепного устройства.jpg
Проушина сцепного устройства

Сцепное устройство с проушиной.jpg
Сцепное устройство с проушиной

Класс D50-A: Стандартные проушины сцепных тяг со шкворнем диаметром 50 мм для крепления посредством сварки.
Класс D50-B: Стандартные проушины сцепных тяг со шкворнем диаметром 50 мм для резьбового крепления.
Класс D50-C: Стандартные проушины сцепных тяг со шкворнем диаметром 50 мм для болтового крепления.
Класс D50-X: Нестандартные проушины сцепных тяг со шкворнем диаметром 50 мм.
Класс E: Нестандартные сцепные тяги, включающие инерционные системы и аналогичные детали оборудования, установленного в передней части буксируемого
транспортного средства или на шасси транспортного средства, которые пригодны для сцепления с тягачом при помощи проушин сцепных тяг, сцепных головок или
аналогичных сцепных устройств.
Класс F: Нестандартные тяговые брусы, включающие все элементы и приспособления, находящиеся между сцепными устройствами, как, например, шаровые наконечники и оединительные фланцы сцепной тяги, а также рама (например, задние поперечные элементы), несущий кузов или шасси тягача.
Класс G Опорно-сцепные устройства представляют собой сцепные устройства плоского типа, оборудованные автоматическим стопорным приспособлением и устанавливаемые на тягаче
для соединения со шкворнем опорно-сцепного устройства диаметром 50 мм, установленным на полуприцепе.
Класс G50: Стандартные опорно-сцепные устройства со шкворнем диаметром 50 мм.
Седельно-сцепное устройство1.jpg
Седельно-сцепное устройство

Класс G50-X: Нестандартные опорно-сцепные устройства со шкворнем диаметром 50 мм.
Класс H: Шкворни опорно-сцепных устройств диаметром 50 мм представляют собой устройства, устанавливаемые на
полуприцепе для соединения с опорно-сцепным устройством тягача.
Класс H50-X: Нестандартные опорно-сцепные устройства со шкворнем диаметром 50 мм.
Класс J: Нестандартные установочные плиты, включая все элементы и приспособления, необходимые для крепления
опорно-сцепных устройств к раме или шасси тягача. Может предусматриваться возможность горизонтального перемещения установочных плит для обеспечения
подвижности опорно-сцепного устройства.
Класс K: Стандартные сцепные устройства крючкового типа, предназначенные для использования с соответствующими тороидальными проушинами сцепных тяг класса L.
Класс L: Стандартные тороидальные проушины сцепных тяг для использования с соответствующими сцепными устройствами крючкового типа класса K.
Класс S: Приспособления и элементы, которые не соответствуют ни одному из классов A-L или T выше и которые используются, например, на специальных транспортных
средствах большой грузоподъемности или являются приспособлениями, эксплуатируемыми только в некоторых странах и в соответствии с действующими национальным
стандартами.

ОБЩИЕ ТРЕБОВАНИЯ К МЕХАНИЧЕСКИМ СЦЕПНЫМ УСТРОЙСТВАМ ИЛИ ИХ ЭЛЕМЕНТАМ
1. Каждый образец должен соответствовать техническим требованиям относительно габаритов и прочности. После проведения испытаний не должно быть никаких
трещин, разрывов или любых чрезмерных остаточных деформаций, которые негативно сказывались бы на функционировании устройства или его элемента.
2. Все детали механического сцепного устройства или его элементов, повреждение которых может привести к отсоединению транспортного средства
от прицепа, должны быть изготовлены из стали. Другие материалы могут использоваться при том условии, что завод-изготовитель надлежащим образом
докажет эквивалентность их характеристик компетентному органу или технической службе Договаривающейся стороны, применяющей настоящие
Правила.
3. Механические сцепные устройства или их элементы должны быть безопасными в эксплуатации, а сцепка и расцепка должны обеспечиваться
одним человеком без использования специальных инструментов. Для сцепки прицепов, максимальная технически допустимая масса которых превышает 3,5 т, допускаются только
автоматические сцепные устройства.
4. Механические сцепные устройства или их элементы разрабатываются и изготавливаются таким образом, чтобы при их обычной эксплуатации, а также
надлежащем обслуживании и замене изнашивающихся деталей они продолжали удовлетворительно функционировать и сохраняли характеристики, предписанные настоящими Правилами.
5. Все механические сцепные устройства или их элементы разрабатываются таким образом, чтобы они обеспечивали эффективное механическое запирание
и чтобы в закрытом положении они блокировались по меньшей мере одним дополнительным механическим приспособлением.
В качестве альтернативы может быть предусмотрено не менее двух отдельных
приспособлений, обеспечивающих работоспособность устройства, причем
каждое из них должно быть сконструировано таким образом, чтобы оно
обеспечивало эффективное , и должно быть испытано
индивидуально на предмет соответствия любым требованиям, приведенным в
приложении 6. Эффективное механическое запирание должно соответствовать
определению, приведенному в пункте 2.14.
Сила сжатия пружины устройства механического запирания может использоваться только для закрытия устройства и предотвращения воздействия вибрации, приводящей к перемещению
элементов устройства в такое положение, в котором они могут открыться или разблокироваться.
Несрабатывание или отсутствие какой-либо одной пружины не должно приводить к открытию или разблокированию всего устройства.
6. К любому устройству или его элементу должны прилагаться монтажные и эксплуатационные инструкции, содержащие достаточную информацию для
любого компетентного лица относительно их правильной установки на транспортном средстве и их надлежащей эксплуатации. Эти инструкции должны быть составлены, по меньшей мере, на
языке страны, в которой их предполагается реализовать. В случае устройств и их элементов, поставляемых для установки заводом-изготовителем
транспортного средства или заводом-изготовителем кузова в качестве первоначального оборудования, монтажные инструкции могут не прилагаться,
однако завод-изготовитель транспортного средства или кузова несет ответственность за предоставление пользователю транспортного средства
необходимых инструкций, касающихся правильной эксплуатации сцепного устройства или его элемента.
7. В случае устройств или их элементов класса A или класса S, сконструированных для использования с прицепами, максимальная допустимая масса которых не превышает 3,5 т, и
изготавливаемых заводами, не имеющими никакого отношения к заводам-изготовителям транспортных средств, а также предназначенных для
установки в качестве запасных частей, высота и другие монтажные характеристики сцепного устройства должны во всех случаях проверяться
компетентным органом или технической службой.

ОБЩИЕ ТРЕБОВАНИЯ К ТРАНСПОРТНЫМ СРЕДСТВАМ, ОСНАЩЕННЫМ МЕХАНИЧЕСКИМ СЦЕПНЫМ УСТРОЙСТВОМ ИЛИ ЕГО ЭЛЕМЕНТОМ
К сцепному устройству или его элементу должно прилагаться руководство по эксплуатации, содержащее любые особые инструкции в отношении
эксплуатации, которые отличаются от обычных требований, касающихся данного типа сцепного устройства или его элемента, а также инструкции
относительно сцепки и расцепки в различных рабочих режимах, например если тягач и буксируемое транспортное средство находятся под различными углами
друг к другу. Это руководство по эксплуатации прилагается к каждому транспортному средству и составляется по меньшей мере на языке страны, в
которой это транспортное средство предполагается реализовать.

Пример маркировки официального уьверждения:
IMG_1122.JPG
Маркировка официального утверждения

Маркировка официального утверждения.jpg
Маркировка официального утверждения


Механическое сцепное устройство или его элемент либо транспортное средство, на котором проставлен приведенный выше знак официального утверждения, является
устройством или его элементом, официально утвержденным в Нидерландах (E4) под номером официального утверждения 2439, и соответствует предписаниям поправок

серии 01 к настоящим Правилам.

На всех механических сцепных устройствах или их элементах должен указываться класс устройства или его элемента, а также характеристические показатели:
Характеристики механических сцепных устройств.jpg

Примеры: Маркировкой C50-X D130 DC90 S1000 V35 идентифицируется нестандартный соединительный фланец сцепной тяги класса C50-X с минимальным
значением D 130 кН, максимальным допустимым значением DC 90 кН, максимальной допустимой статической вертикальной нагрузкой 1 000 кгс и
максимальным допустимым значением V 35 кН.
Маркировкой A50-X D20 S120 идентифицируется стандартный тяговый кронштейн с шаровым наконечником класса A50-X с максимальным
значением D 20 кН и максимальной допустимой статической вертикальной нагрузкой 120 кгс.

ТРЕБОВАНИЯ К МЕХАНИЧЕСКИМ СЦЕПНЫМ УСТРОЙСТВАМ ИЛИ ИХ ЭЛЕМЕНТАМ
1. ШАРОВЫЕ НАКОНЕЧНИКИ И ТЯГОВЫЕ КРОНШТЕЙНЫ (класса A)
Шаровой наконечник класса А.jpg
Шаровой наконечник класса А


Заводы-изготовители тяговых кронштейнов должны предусматривать точки крепления либо аварийных сцепных устройств, либо приспособлений,
позволяющих автоматически остановить прицеп в случае расцепления основного сцепного устройства

Особые требования к стандартным шаровым наконечникам и тяговым кронштейнам с креплением фланцевого типа классов A50-1 ─ A50-5 включительно:
размеры фланцевых наконечников1.jpg
размеры фланцевых наконечников

размеры фланцевых наконечников.jpg
размеры фланцевых наконечников

2. СЦЕПНЫЕ ГОЛОВКИ
2.1 Сцепные головки класса B50 должны разрабатываться таким образом, чтобы они могли безопасно использоваться вместе с шаровыми наконечниками, и, следовательно, имели
предписанные характеристики.
Сцепные головки должны разрабатываться таким образом, чтобы обеспечивалась безопасная сцепка даже с учетом износа сцепных устройств.
3. СОЕДИНИТЕЛЬНЫЕ ФЛАНЦЫ СЦЕПНОЙ ТЯГИ
Горизонтальный поворот сцепленной проушины сцепной тяги.jpg
Горизонтальный поворот сцепленной проушины сцепной тяги

Поворот сцепленной проушины сцепной тяги по вертикали.jpg
Поворот сцепленной проушины сцепной тяги по вертикали

Поворот сцепленной проушины сцепной тяги вокруг продольной оси.jpg
Поворот сцепленной проушины сцепной тяги вокруг продольной оси

4. ПРОУШИНЫ СЦЕПНЫХ ТЯГ
Втулка с прорезью для проушин сцепных тяг класса D50.jpg
Втулка с прорезью для проушин сцепных тяг класса D50

Втулка без прорези для проушин сцепных тяг класса D50-C.jpg
Втулка без прорези для проушин сцепных тяг класса D50-C

рр.jpg

Размеры проушин сцепных тяг классов D50-A и D50-X.jpg
Размеры проушин сцепных тяг классов D50-A и D50-X

5. СЦЕПНЫЕ ТЯГИ
Устройства регулирования высоты шарнирных сцепных тяг
5.1 Шарнирные сцепные тяги устанавливаются с устройствами регулирования сцепной тяги по высоте сцепного устройства или захвата. Конструкция этих
устройств должна быть такой, чтобы регулировать высоту сцепной тяги мог один человек без инструментов или любых других средств.
Устройства регулирования высоты должны позволять поднимать проушины сцепной тяги или шаровые наконечники из горизонтального положения над
грунтом по меньшей мере на 300 мм вверх и опускать их вниз по крайней мере на 300 мм. В этом диапазоне сцепная тяга должна регулироваться плавно либо
поэтапно, максимум с 50-миллиметровыми интервалами, замеряемыми у проушины сцепной тяги или у шарового наконечника.
6. ТЯГОВЫЕ БРУСЫ
Тяговые брусы не должны быть приварены к шасси, кузову или какой-либо иной части транспортного средства.
тяговый брус.jpg
Тяговый брус

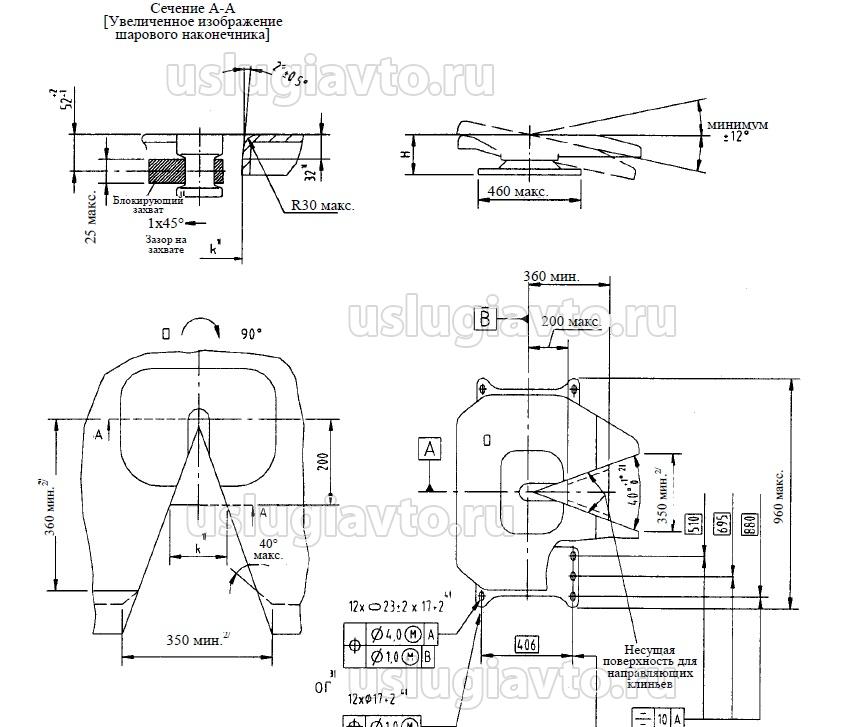
7. ОПОРНО-СЦЕПНЫЕ УСТРОЙСТВА (Седельно-сцепные устройства) И НАПРАВЛЯЮЩИЕ КЛИНЬЯ
Направляющие приспособления
Опорно-сцепные устройства должны быть оснащены направляющим приспособлением, обеспечивающим безопасное и правильное запирание
шквория. Ширина входного отверстия направляющего приспособления в случае стандартных опорно-сцепных устройств диаметром 50 мм должна
составлять по меньшей мере 350 мм
Седельно-сцепное устройство.jpg
Требования к седельно-сцепным устройствам

Седельно-сцепное устройство1.jpg
Седельно-сцепное устройство

Минимальные углы отклонения опорно-сцепного устройства В случае зацепленного шкворня опорно-сцепного устройства, не
прикрепленного к транспортному средству или к установочной плите, и с учетом последствий болтового крепления сцепное устройство должно
допускать одновременное отклонение на следующие минимальные углы:
±90° вокруг вертикальной оси (не касается опорно-сцепных устройств с надежным управлением);
±12° вокруг горизонтальной оси, перпендикулярной направлению движения. В условиях бездорожья этот угол может не соблюдаться.
Допускается вращение вокруг продольной оси до ±3°С, однако в случае вибрации опорно-сцепного устройства допускается превышение этого угла при
условии, что блокирующий механизм позволяет ограничить поворот максимум до ±3°С.
Опорно-сцепное устройство должно блокироваться в зацепленном положении двумя надежными механическими блокирующими приспособлениями, причем
если не срабатывает одно из них, то обязательно должно сработать другое приспособление.
8. ШКВОРНИ ОПОРНО-СЦЕПНЫХ УСТРОЙСТВ
Размеры шкворней опорно-сцепных устройств класса H50.jpg
Размеры шкворней опорно-сцепных устройств класса H50

9. СЦЕПНЫЕ УСТРОЙСТВА КРЮЧКОВОГО ТИПА
Размеры и углы отклонения сцепных устройств крючкового типа класса K.jpg
Размеры и углы отклонения сцепных устройств крючкового типа класса K

Значения параметров сцепных устройств крючкового типа.jpg
Значения параметров сцепных устройств крючкового типа
класса K
С уважением, Михаил
эксперт "УСЛУГИАВТО"
(495) 740-38-92
E-mail: 77@uslugiavto.ru
Mikhail_Auto
Услугиавто
 
Сообщения: 252
Зарегистрирован: 10 фев 2017, 13:56

Re: Тягово-сцепные и буксирные устройства

Сообщение Mikhail_Auto » 24 янв 2018, 14:00

Пример регистрации ТСУ
20170405_121958.jpg
ТСУ на Mitsubishi Outlander
С уважением, Михаил
эксперт "УСЛУГИАВТО"
(495) 740-38-92
E-mail: 77@uslugiavto.ru
Mikhail_Auto
Услугиавто
 
Сообщения: 252
Зарегистрирован: 10 фев 2017, 13:56

Re: Тягово-сцепные и буксирные устройства

Сообщение Mikhail_Auto » 14 авг 2018, 17:47

С уважением, Михаил
эксперт "УСЛУГИАВТО"
(495) 740-38-92
E-mail: 77@uslugiavto.ru
Mikhail_Auto
Услугиавто
 
Сообщения: 252
Зарегистрирован: 10 фев 2017, 13:56


Вернуться в разное

Кто сейчас на конференции

Сейчас этот форум просматривают: нет зарегистрированных пользователей и гости: 11

cron